图知网
搜索
首页
热门推荐
图片分类
譵
下载原图
相关图片
reserva online | ctrip
49.9元泡温泉,59.9元玩转水世界.抢到就是省钱!
水立方室内温泉内景图
嘉峪关水立方温泉度假酒店室内温泉馆 门票 自助餐
ulasan hotel untuk intercontinental kunming
水立方温泉度假酒店室内温泉馆
为你推荐
盘点古装剧10款「巨型头饰」!
女网名唯美有气质
图恩湖位于图恩和因特拉肯之间的高地上,湖水呈深蓝色,清澈见底_高清
福禄寿喜财五福的来历
铅笔简笔画瓜子
股东投票
现货95绵羊绒单面顺毛600克女士柔软短顺毛呢秋冬外套面料w8686
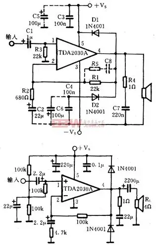
tda2030a功率放大电路