图知网
搜索
首页
热门推荐
图片分类
19岁高四复读生经常熬夜刷题,头顶严重脱发,换了洗发水都没用_手机
下载原图
相关图片
熬夜熬成秃头人_熬夜_熬成_hhy_秃头_冠军表情
熬夜掉头发.jpg
90后女程序员长期熬夜患斑秃头发眉毛全掉光像卤蛋
熬夜让脱发更严重?
熬夜伤肝掉头发-500根每次
熬夜,睡不好会秃头~预防掉发和白发,起床快喝养发茶补救
为你推荐
生日盛宴
手绘龙猫
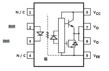
2.0安培输出电流igbt门驱动光电耦合器hcpl-3120
李玉刚
领养中华田园猫白猫活体幼猫家养可爱小猫咪纯白色白猫精品品相公
多米诺骨牌儿童益智动脑玩具木质创意礼品成人小学生比赛标准大号创意
同治年百花不落地酒杯
小鹿蓝蓝宣传海报