图知网
搜索
首页
热门推荐
图片分类
厂家直销16l外贸款喷雾器 手动 消毒雾化喷雾器草坪喷雾器 背负式
下载原图
相关图片
电动喷雾器柱塞泵(图) 洗车器水泵 直流洗车泵
12v伏农用电动喷雾器水泵电机高压打农药机配件双核大功率自吸泵新
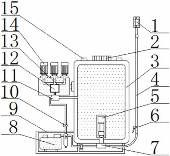
一种自动喷雾器的制作方法
elff12a电动喷雾器调速器参数介绍
cn203044250u_电动喷雾器蓄电池安装结构有效
高压雾化可调喷雾园林打药清洗机农用电动喷雾器远程射高果树喷头
为你推荐
王赫野献唱与凤行ost不知返##与凤行俗世清梦主题
【最强王者三国】貂蝉vs诸葛亮
天龙八部之宿敌简谱(歌词)-许嵩演唱-桃李醉春风记谱1
现代手法,中式元素的照壁
dc最强驱魔人康斯坦丁还有个好听的名字渣康
pvc塑料波纹管绝缘阻燃塑料套管c穿线软管电线电缆保护套管螺纹.
【361°童装#中国新声代#直播中】来自马来西亚的@陈湘胤_xy一直被称
浪漫粉红花藤边框