图知网
搜索
首页
热门推荐
图片分类
灵笼白月魁
下载原图
相关图片
灵笼,白月魁 - 堆糖,美图壁纸兴趣社区
1920_1080
灵笼白月魁同人图片高清壁纸
哔哩哔哩_bilibili
张伟丽罗斯二番战系列"是人就有弱点,安德拉德唯一翻
下载壁纸(1920x1080)发布者:蒋昌达 [声明] 墨鱼部落格所有资源为
为你推荐
洗护日化特价包邮慧丝特老姜汁去屑洗发水生姜洗发露1
女生狼尾发97最火日系高层次修容短发发型留鲻鱼头的小伙伴都知道
我爱你手势图片-我爱你手势素材-我爱你手势插画-摄图新视界
组图:电视节电视剧评委记者见面会
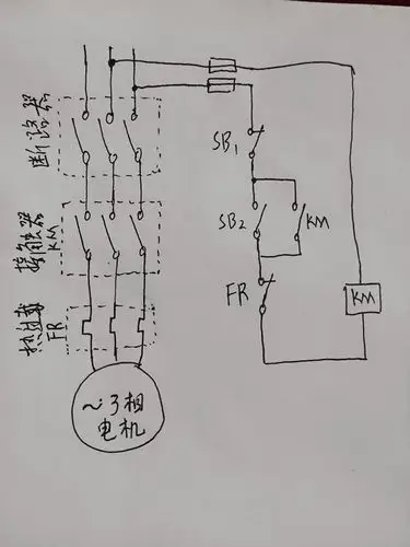
三相异步电动机启停电路图
任骏飞:低调朴实的得分机器,如何从板凳中蜕变成球队重要拼图?
皮客女包头牛皮手工手工制制作真皮复古单肩包韩版女士包袋
祝酒歌于淑珍