图知网
搜索
首页
热门推荐
图片分类
单相变压器接线图
下载原图
相关图片
懂自耦变压器的师付请来 km2接自耦变压器什么端子,km1接自耦器什么
展开全部 没电的变压器次级经二极管并联在有电的输出两端,可视为
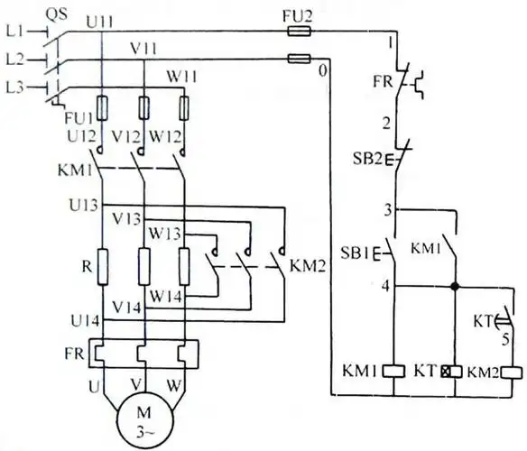
2.自耦变压器减压起动控制电路
变压器试验接线
变压器整流及调压接线示意图.doc
220v变压器变12v怎么知道哪根线是正极
为你推荐
此时一位太君骑着三蹦子路过 - 斗图表情包 - 金馆长表情库 - 真正的
闺蜜头像动漫古风
一,编织机构工作原理 由针床,织针和三角座和三角,给纱机构, 导纱变换
迷人的笑容 招人迷恋;刘嘉玲刘青云《心痒痒》马浚伟李钰《蛇咒》郝蕾
泰国孔敬大学
夏日清爽15张瑞幸咖啡饮品海报设计欣赏
小型铁屑压块机价格,废旧金属压块机#金属打包机
威武渔具黑霸甲鱼枪防滑全套装杆团鱼竿老鳖枪钓挂鱼超硬