图知网
搜索
首页
热门推荐
图片分类
课件(人教版品德与社会六年级上册课件ppt 时局图简介:1895年甲午
下载原图
相关图片
为了全体人民对美好生活的追求——从党的十九大看党
4.1 中国特色社会主义进入新时代 课件-【新教材】高中政治统编版.
中国为什么只用一个时区
写美篇时局图把19世纪末(中日甲午战争后)中国面临的被帝国主义列强
72/144小时过境免签政策了解下②哪些城市可以办?
中国的西部地区幅员辽阔,人口众多,自然资源丰富,战略位置重要,具有极
为你推荐
一口气看完古力娜扎最新街拍造型 还有时髦服饰包包 真是美翻天
田英章毛笔行书《偏旁部首 米字旁》
lol新版本所有皮肤一览:派克沙尘暴十字斩!
国际泳联跳水系列赛北京站女子3米板决赛,施廷懋以392
郭可盈真有贵妇范红色披肩式连衣裙明媚大气美得张扬霸气
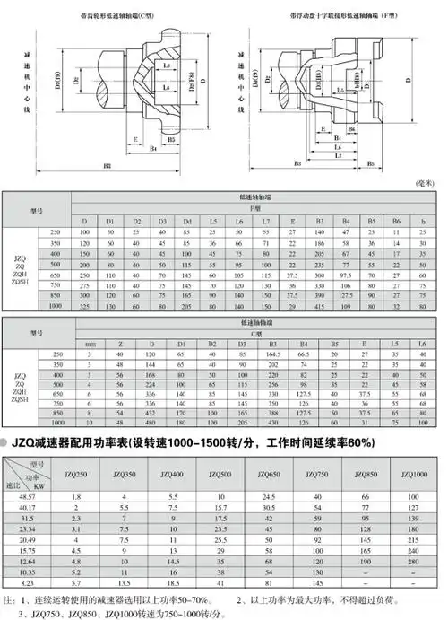
zq系列圆柱齿轮减速机
卡通一次性环保筷子公筷餐具元素
火影忍者之火世代