图知网
搜索
首页
热门推荐
图片分类
心里难受说不出猫咪猫咪难受说不出心里表情
下载原图
相关图片
伤心是一种说不出的痛
心凉到极点的句子一种说不出的心情句子
说不出的难过,才叫难过,我变了,累了,伤了,痛了,也懂了!
男人说不出的压抑和心累的句子男人说不出的压抑和心累的句子 男人说
情感#说不出的痛,最无奈!
说不出来的难受,控制不住的发抖 - 抖音
为你推荐
鲁智深带娃记(鲁智深送娃上学)(2)
高清壁纸 #蜡笔小新壁纸 #可爱壁纸 #全屏壁纸 #小红书成长助手
原耽励志壁纸
32岁成哈佛史上最年轻华人正教授,华裔物理天才尹希加入美国国籍
这10个习惯你都有吗
女明星同款发型参考
裂缝中的阳光吉他谱-弹唱谱-c调-虫虫吉他
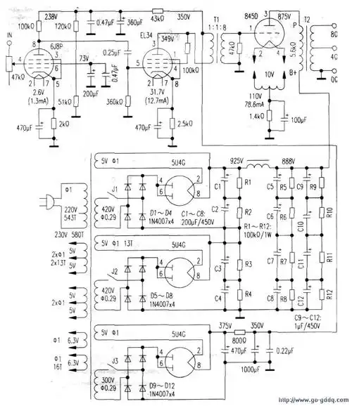
自制845单端甲类胆功放