图知网
搜索
首页
热门推荐
图片分类
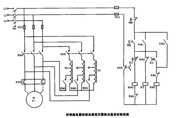
11~75型自耦降压启动电路图
下载原图
相关图片
电动机自耦降压启动自动控制电路组图
电机自耦降压启动原理图及接线图
按钮控制的自耦降压启动电路 第1张
如何实现自耦变压器降压启动
自耦变压器降压启动原理解析解决方案华强电子网
自耦降压启动实物接线图
为你推荐
其实男明星化妆也还挺浓来看看卸妆后的男明星还那么帅气吗
国产华晨宝马x5l火山红内饰分享真皮脚垫
古筝指法简表
《游乐园》儿童画.六一来啦,想好去哪里玩了吗93#画画 #亲 - 抖音
同仁堂淡豆豉500克g食用葱白淡豆豉小儿发汗散寒中药材店铺药材大全
月圆花好《西厢记》插曲简谱-周璇演唱1
雪人头.webp.jpg
七年级上册《观沧海》教学设计|教案 一,导入 说起曹操,我们并不