图知网
搜索
首页
热门推荐
图片分类
水利给水排水工程装置的制造及其处理技术
下载原图
相关图片
cpd型it蓄电池铲车控制电路
装载机照明系统都有哪些常见故障,如何检修排除
我们先来了解驻车制动器控制电路图.
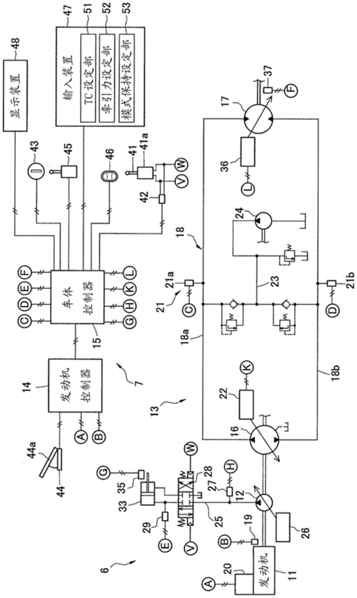
轮式装载机及其控制方法与流程
装载机控制系统设计
蓄电池铲车电气控制电路解决方案华强电子网
为你推荐
张定涵,中国女演员,国家二级演员,毕业于北京舞蹈学院,戏路广阔,演绎
专辑开箱tara朴孝敏solo迷你二辑sketch
中国抗战宣传画:受伤的战士最为大家所敬重
中国工商银行旅游卡的安全码在哪儿
代友出台18款ktm1290adv s大野驴 陕a私户
瑜伽小人图
辽宁女子晒出衣柜里衣服叠得整整齐齐,网友看到表示强迫症患者
180平口腔诊所设计效果图落地,全国接单中! 对于一些口腔 - 抖音