图知网
搜索
首页
热门推荐
图片分类
功放电路图
下载原图
相关图片
各种进口功放电路图
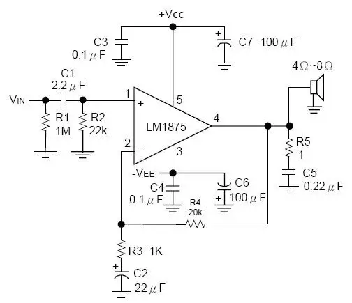
我自己制作的都是双电源的lm1875功放电路, 理由: 1.
第二,1875为单声道功放集成电路,3只1875怎样平衡地推两只小箱子呢?
各种进口功放电路图
请教大家有关高压功放电路的问题
音频可调功率放大器电路图
为你推荐
高圆圆干练造型显知性美光影间撩人心弦
高清好看很酷的戴帽子的头像女图片
未来可搭地铁游江浙沪,国内第一部跨省域规划建设导则发布
六人一系列头像搞笑
自制英语书 创意乐趣多
气泡云朵图片大全_气泡云朵图片素材【png免费下载】-90设计网
1 2吨液压小吊车 全自动液压吊运机 微型电动起吊机 钢丝绳牵引机
2019loveloud音乐节梦龙乐队imaginedragons表演全场