图知网
搜索
首页
热门推荐
图片分类
猪仔波波牛劳资真是服了
下载原图
相关图片
哈哈爷真的服了 - 一组阴阳怪气小黄脸表情包_emoji表情
服了
我真的服了
我真服了
我是未来gif我是未来第十二期gif真是服了gif真是服了你了gifsoogif
这个老六我真的服了是什么梗老六是什么意思网络梗
为你推荐
被称为"宝藏女孩""最美快女" 1988年4月30日出生于广东省深圳市,中国
日常想念哥哥(刘昊然
从狗子身上捉到的跳蚤
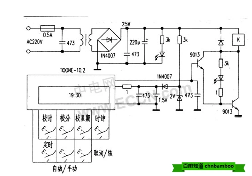
求图片:rmk-kg316t微电脑时控开关电路图
法国茶餐厅菜单设计
歌手尹相杰官宣结婚妻子气质出众赛明星与51岁老公似两代人
两仪式
技嘉主板大板全新_技嘉b85大板_b85主板大板技嘉_ 技嘉主板大板全固态