图知网
搜索
首页
热门推荐
图片分类
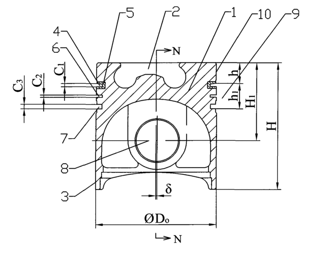
船用大型低速柴油机,组合式活塞到底是怎么组合的
下载原图
相关图片
发动机活塞环中的矩形环扭曲环梯形环等都表示什么意思
w型活塞式压缩机设计
2100t柴油机活塞部件及工艺设计
活塞虽小,却包含了许多你不知道的细节
cn201420618y_一种多缸直喷柴油机用活塞失效
上下两部分呈阶梯结构,且上部宽下部窄;所述活塞销挡圈槽外侧销孔直径
为你推荐
婚礼现场
钟楚曦身上条条带带很性感大嘴美女吃四方优雅又大气旺夫相
郑源《擦肩而过》演唱会现场版「超清」
自制迷你盲盒套盒的教程来啦78
【长乐未央】拍卖品_图片_价格_鉴赏_书法_雅昌艺术品拍卖网
感觉中街不愧是沈阳知名地段的扛把子,很久没去了,貌似发生了变 - 抖
【山巅之上摄影图片】风光摄影_qz28097943_太平洋电脑网摄影部落
女生头像 rose blackpink