图知网
搜索
首页
热门推荐
图片分类
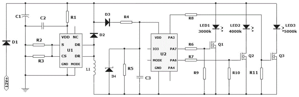
一种rgb三色灯控制电路及其控制方法与流程
下载原图
相关图片
如何控制三色发光二极管的变色三色发光二极管变色原理浅析
一种三色led汽车大灯的驱动控制电路的制作方法
三极管恒流电路原理是通过改变三极管的基极电流来控制led中的电流
光控led三色循环渐变夜灯电路设计ppt
三色8态循环彩灯电路 - 灯光控制 - 21ic中国电子网
如何控制三色发光二极管的变色三色发光二极管变色原理浅析
为你推荐
关键字: 黑棕黄jpg大尺寸 广告画报常用贴图贴图库 发型广告
qq女生可爱个性签名
难以忘掉的梦幻意境星空头像图片银河星空星星头像合集
童年回忆1977年警犬卡尔小时候好想拥有一只这样的警犬
祖母绿 产地: 哥伦比亚
王鸥超话wo#王鸥每一帧都好美#wo#王鸥# ·时尚芭莎设计大赏红毯
新鸳鸯蝴蝶梦-黄安(电视剧《包青天》片尾曲)简谱 - 曲谱歌词网
19款黑色蝙蝠设计矢量素材