图知网
搜索
首页
热门推荐
图片分类
dianyuan.com 宽965x709高
下载原图
相关图片
开关电源ka3824b电路图
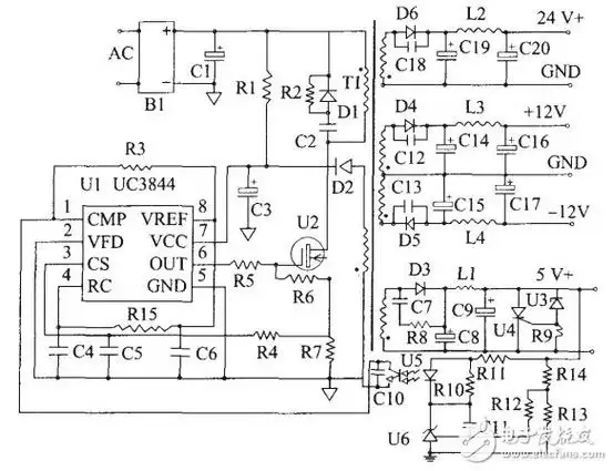
uc3844组成的60w开关电源电路
开关电源模块化设计及继电保护电路设计 —电路图天天读(247)
3844电源的原理及维修
由mos场效应管组成的开关电源电路 uc3824 uc3842
24v146a开关电源的电路图免费下载
为你推荐
兄弟们190斤还有瘦下去的可能吗
erilles【琉璃】成毅,袁冰妍,刘学义,张予曦古装电视剧碟片dvd光盘
假面骑士decade & diend 真骨雕 喜欢可以点赞关注收藏 每日分享本人
钢琴谱 - because of you (弹唱版)
阳台置物架洗衣机收纳柜一体简约阳台杂物柜简易储物柜子整理柜
皇姑区辖内行政区划发生重大调整!你家的学区变了吗?
momoko的相册渡边麻友最后の制服
想要花钱少,新房装修好,这9个装修的大坑一定要避开