图知网
搜索
首页
热门推荐
图片分类
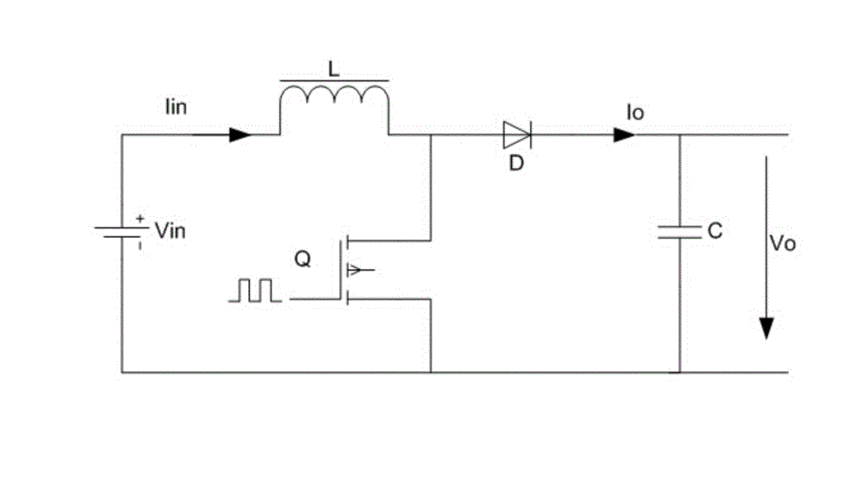
boost变换器原理
下载原图
相关图片
文档下载 所有分类 工程科技 电子/电路 > boost变换器原理第1页 下一
boost电路仿真模型/buck-boost/boost pfc/asio 仿真程序 matlab
学习笔记:简谈boost升压电路
一种光伏mppt的全电流段boost电路
2.升压转换器-boost converter
一种飞跨电容三电平boost电路
为你推荐
二十四节气拟人插画大雪
4s店一个面油漆多少钱【汽车时代网】 - 4s店车门钣金喷漆多少钱
一年美术线上第二课《有趣的半圆形》
金金姐广场舞
雅诗兰黛智妍水乳胶原水乳
壮美川间信天游 nubia x6行走黄土高原
1085解放区纸币一组十六枚
原创斗罗大陆155集预告丨传令即日起废太子雪清河