图知网
搜索
首页
热门推荐
图片分类
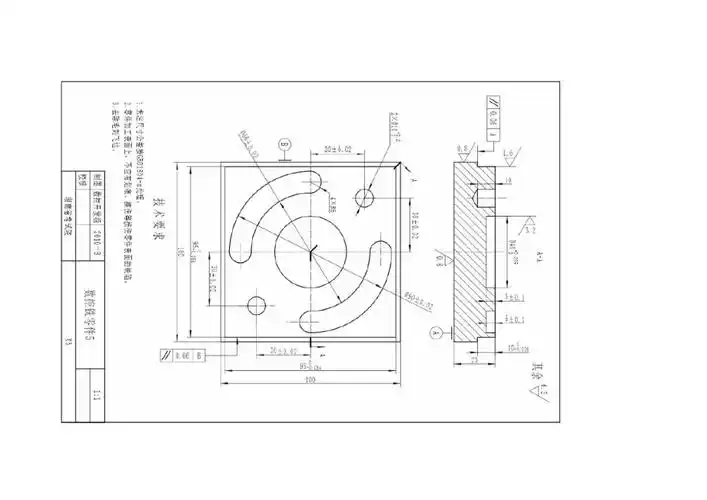
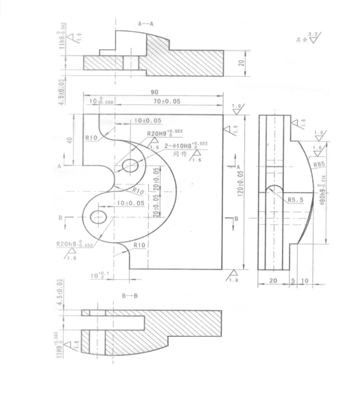
(安徽省数控大赛铣床操作题图纸)
下载原图
相关图片
全国数控大赛数控铣加工中心图库.doc
数控铣加工中心图纸
数控大赛数控铣加工中心图纸大全
数控大赛数控铣加工中心图纸大全
从业资格考试 数控铣技能大赛竞赛试题答案 数控铣 试题 图纸 第1页
全国数控大赛数控铣加工中心图库.doc
为你推荐
朱玲玲不愧是最美港姐,明明年纪已经不小了,颜值依旧很精致
性成人玩具道具男小狐尾谜姬粉色狐狸尾巴赠白色狐狸尾巴润滑油湿巾3
元旦当天有趣的朋友圈文案2021牛转乾坤
吴亦凡 表情包
卡通太空探索
建筑分析图 侵删
john soko-----用作家自己的文字"画成"他们的肖像
石头硬度的测量和表述