图知网
搜索
首页
热门推荐
图片分类
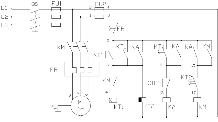
延时启动自动延时停止控制电路
下载原图
相关图片
电机延时启动 三相异步电动机延时启动,要求按下启动按钮后5min后电机
3.1三相异步电动机延时启动,延时停止控制电路安装调试
两台电机同时起动,延时停止控制
一个接触器的延时启动和延时停止(求原理图,急)
电动机延时启动接线图 - 第3页 - 电路图分享_电工学习网
以下是电动机延时开机的间歇运行线路的电路图:该线路可以实现电动机
为你推荐
寂寞空庭春欲晚 卫琳琅 郑爽
小清新绿色植物花卉高清电脑壁纸图片第二辑
辽宁号航空母舰
愿所有好运都如期而至的图片 快乐的事情正在来的路上_8
q版王一博
吃货万岁 #壁纸# #哈咪猫# #hamicat# #可爱# #背景图# #小清新
ral国际色号对照表标准色卡word编辑
原创模块化未死motoz4曝光还是那个样子还是那个味儿