图知网
搜索
首页
热门推荐
图片分类
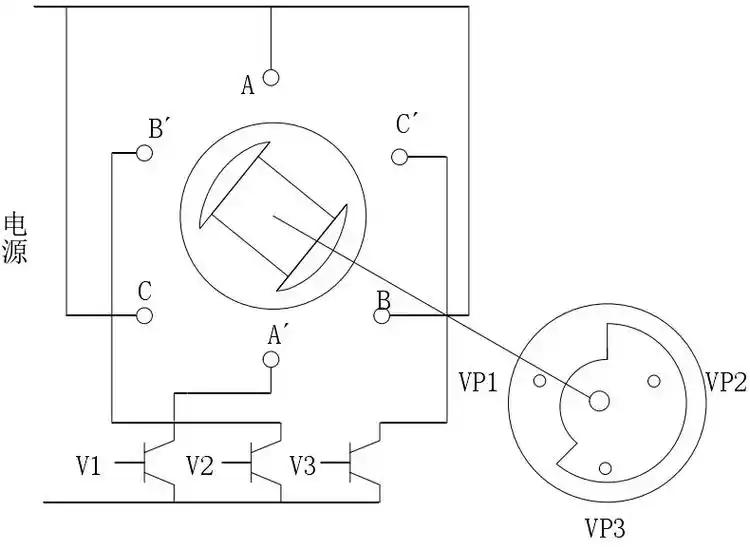
直流无刷电动机控制电路
下载原图
相关图片
基于tms320f2812无刷直流电机控制系统
直流无刷电机的控制电路
基于mc33039和mc33035的无刷直流电机驱动控制电路.
无槽高速永磁无刷直流电机设计.#电机设计#硕士#博士#有限元 - 抖音
一种无刷直流电机及其自举全桥驱动电路
无刷直流电机的速度检测电路及其方法
为你推荐
男生后面掏空发型 教你这样剪更有魅力
栗子头发型男
蛋清图片
一个男人抚摸他的背部背部疼痛背痛和腰部疼痛白色背景
动漫女生壁纸
q版手绘萌星座双鱼座
幼儿教学楼画法简笔画涂色
备用安卓机.95新 vivo y52s (5g) 8g 12 - 抖音