图知网
搜索
首页
热门推荐
图片分类
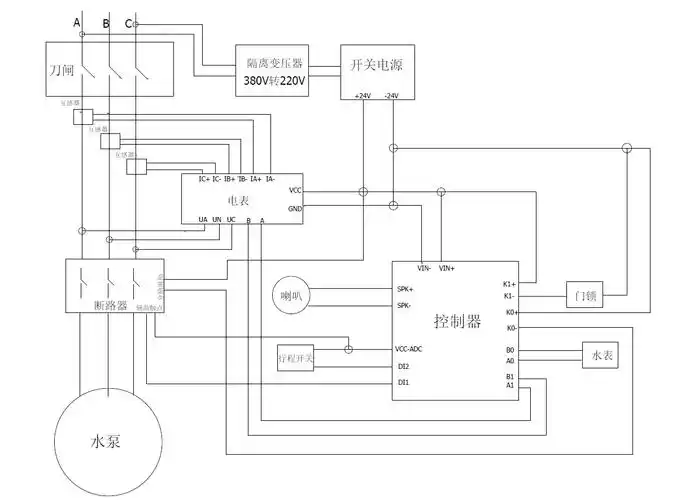
用上下各一固定浮飘一个接触器可以控制一台水泵自动补水吗?
下载原图
相关图片
用一个浮球控制三相水泵接线图
三相水泵手动自动控制示意图
工地上自动控制水泵接线图如何?
wl101a水位控制器,单相水泵的接线方法 指示图
机井灌溉控制器外观尺寸与接口接线说明
水泵自动控制箱接线要点(中间继电器和交流接触器)
为你推荐
山东天气大转折!这个周末,青岛有雾也有雨……_腾讯新闻
立秋手抄报
腾讯qq经典头像升级为3d版还新增9个小黄脸表情
哔哩哔哩22娘 33娘
钱币天堂·交易区详情·1976美国建国两百年2美元纸币
文轩氛围感情头20
上海老姬55岁终于来到从小向往的唐古拉山兵站
2021不用打字聊天的早上好问候祝福图片精选早安正能量问候语句子