图知网
搜索
首页
热门推荐
图片分类
三相三线终端接线图
下载原图
相关图片
表1 三相三线计量用互感器类别,数量及接线方式三相三线计量用互感器
三相三线制电表无零线,用来测量水泵,怎么接线?也不要瓦感器的,谢谢
三相异步电动机接线盒内是怎样连接的?
一起学电工〗三相电机自锁电路接线图(电压36v-380v接触器)
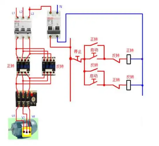
接触器控制三相电机正反转接线,大俵哥最后发一次需要的收藏
三相三线制电能表接电流互感器的接线方法_电气技术_新满多
为你推荐
rylynn吉他谱
lumion效果图
一年级语文数字成语最新整理
q版人物手部不同手势画法【第266弹】
java 灰度直方图_java基于直方图应用的相似图片识别实例
空,跳远,沙坑,体育场_高清图片_全景视觉
这是一场意义非凡的盛会,你的梦想将在这个舞台之上光芒万丈.
小胖子哈里凯恩的变身记凯恩门前补射破门2