图知网
搜索
首页
热门推荐
图片分类
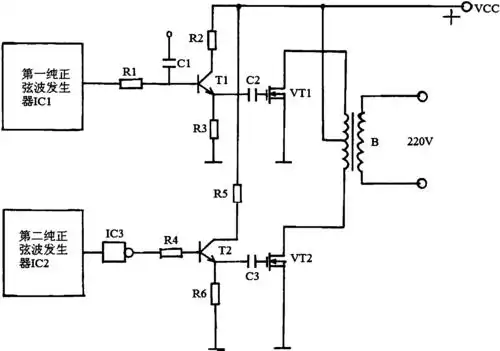
纯正弦波逆变器 1500w电路图 求指导
下载原图
相关图片
一种将直流电转换为工频纯正弦波交流电的逆变器
正弦波逆变器
单片机的正弦波逆变电源电路
用单片机制作的纯正弦波逆变电源电路图
低失真正弦波逆变电源设计
自制正弦波逆变器的简介和电路图详细说明
为你推荐
chan陈-logo设计
张大仙12月2日晚7:30抖音首播,笑死在评论区
厂家直销实木吧椅吧凳实木吧台椅酒吧椅高脚凳梯凳欧式吧台椅椅子
《骆驼祥子》四年四班
三年级上册英语第四单元单词卡片
6.画出小猫咪的后腿
【王炸姐弟】赵丽颖|王一博
用uc3843制作dc5v/2.4a开关电源,但无电压输出,求帮助