图知网
搜索
首页
热门推荐
图片分类
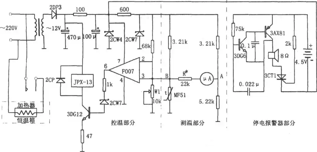
两种禽蛋自动孵化器电路
下载原图
相关图片
如图甲是一种家用蒸蛋器,图乙为它的原理图,该蒸蛋器可依据个人喜好
技术资料 技术资讯 一款新颖时尚的自动煮蛋器 下图是它的电路原理
孵蛋温度控制器f007
孵蛋温度控制电路
小熊煮蒸蛋器养生壶电炖锅电源温控开关限温器125度过热保护
美的gh401型豪华自动电炖锅
为你推荐
150 立即购买
薄款男sn3812 灰色-v领-莫代尔 2件减15 3件减30 3xl 【180斤左右穿】
清爽的色彩搭配,是少不了绿色的
太漂亮啦!|铁饼|圆盘|观赏鱼_网易订阅
2 跟贴 x 用微信扫描二维码 分享至好友和朋友圈 早安励志正能量句子
ff1460全职业90级校服兔男
lol洛与霞高清情侣头像图片大全,英雄联盟关于洛和霞图片头像
狸花猫在你家过得"幸福",会有这7个迹象,藏不住的!