图知网
搜索
首页
热门推荐
图片分类
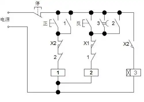
krⅡ350 _ 外部环境 六芯电缆 气管 负 极 电 缆 正 极 电 缆 送丝
下载原图
相关图片
通用otc500s焊机控制线与送丝机的线怎么匹配?都乱套了,我头都大了!
nb-逆变送丝接线图
二保焊机otc送丝机的六条线哪条是负极,如何用量电压法检查线路是否
定制瑞凌二保焊机送丝机双驱送丝机350/500气保焊二保焊机佳士/奥太
埋弧焊机接线图
套丝机电路图
为你推荐
ea888正时链条,ea888发动机正时链条怎么对
凝集素
2244手机壁纸远离男人快乐每一天
王者荣耀:单挑主宰暴君最快的英雄,短腿鲁班上榜,第一被遗忘
奎托斯壁纸1366x768分辨率查看
t恤空白线稿
美蝶真发假发女短发中老年人全头套全真人发丝短卷发妈妈假发套假头发
室内儿童乐园设备功能性设计5个方向