图知网
搜索
首页
热门推荐
图片分类
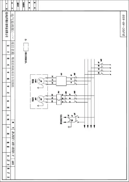
冲床气动送料器整个气流以及电磁阀的连接图是怎样的
下载原图
相关图片
一种自动控制给料机的电气控制系统
设计一个送料小车控制电路
螺旋称重给料机及星型给料机电气原理图
一种自动控制给料机的电气控制系统技术方案
自动上料控制 缺料启动 料满停止 - 中华工控网手机版
基于plc的物料分拣控制系统设计 - 其它机械类 - 沐风图纸
为你推荐
人任嘉伦出席roger vivier品牌探店活动,正式开启#巴黎时装周#行程,一
明亮多彩现代光滑多汁蓝色渐变浅色 ab
剑侠世界资料片西域龙魂今日上线
一首带着风沙的摇滚《莫回头》方小菲"朝着自己梦想的方向努力奔跑不
什么是剪刀楼梯,什么是剪刀楼梯知识_百度知道
德州市第十一中学地理学科思维导图汇编
港珠澳大桥全景
动漫卡通,龙珠,日漫,赛亚人,孙悟空