图知网
搜索
首页
热门推荐
图片分类
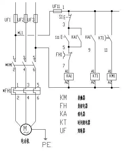
3.1三相异步电动机延时启动,延时停止控制电路安装调试
下载原图
相关图片
25,零基础学电工-按下停止按钮电动机延时停止电路(仿真图)
求:三相交流异步电动机启动控制图
求电动机5秒延时启动电路图和原理.
69 电路图分享 69 电机延时自动起动停止电路图 启动延时运行
电动机顺序延时启动停止顺序启动控制电路视频
求电机延时启动和延时停止控制电路图
为你推荐
李准基again my life
微信头像陈小春
女生拍照哪些姿势才会显得拍照比较酷酷的感觉呢
青岛字体设计艺术字
眉开眼笑的12种动物:奸笑鲨鱼和微笑河马
1986版《西游记》高清修复剧照,太美了(1)(1986版《西游记》神话是怎
谭松韵黑色缎面垂感礼服##谭松韵锁骨窝好明显
黄梅莹穿牛仔裤露脚踝踩豆豆鞋温柔又美丽打造中年人时尚感