图知网
搜索
首页
热门推荐
图片分类
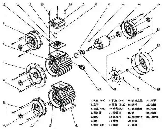
一种超高速摆线液压马达
下载原图
相关图片
摆线液压马达的基本结构及油流方向-教育视频-搜狐视频
摆线液压马达实验装置及其实验条件_天津液压马达生产厂家 液压马达
高速配流摆线液压马达
内曲线多作用径向柱塞式液压马达 1.工作原理
平面配流摆线液压马达-爱企查
cn207945042u_一种变量摆线液压马达有效
为你推荐
逗比你这是在逗我么
114606" data-lemmaid="114606">上海 /a>市,中国内地流行乐男歌手,
河南开封4县5区共9所高校其中三个县没有高校兰考拥有2所
悲剧短短几天保定多名孩子溺水身亡为家长敲醒警钟
徐小明
lol英雄联盟 天启者 卡尔玛 karma 神龙尊者 4k壁纸
纽芬兰白狼(纽芬兰白狼灭绝了吗)-图1
如何画拾贝壳的小男孩的简笔画