图知网
搜索
首页
热门推荐
图片分类
微信头像时代少年团宋亚轩
下载原图
相关图片
微信头像时代少年团
时代少年团不明显头像
微信头像时代少年团宋亚轩
微信头像时代少年团丁程鑫
居命,太难画了#tnt时代少年团 #手绘头像 #严浩翔
微信头像时代少年团丁程鑫
为你推荐
张予曦--古装之美,魅力动人!__财经头条
德国mcm是一个奢侈时装品牌分别代表 mode,creation,munich
可爱呆萌风小女孩扎心了表情包
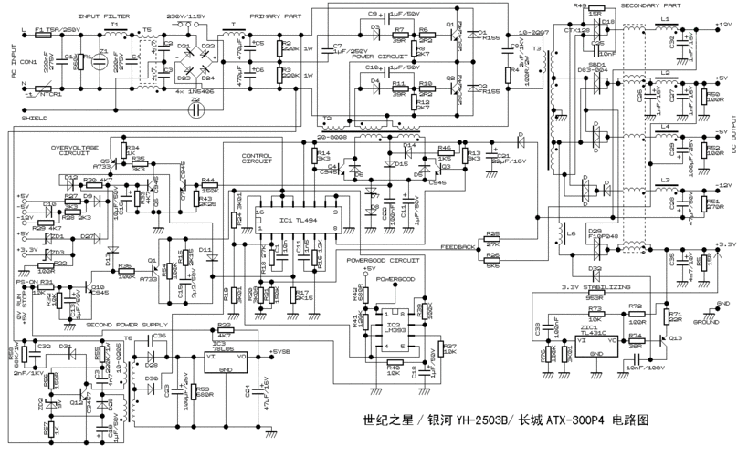
求助atx长城电脑电源电路图及修理方法
韩孝周 & 赵寅成 x harpers bazaar 韩版9月刊内页大片#韩剧moving
林心如:演高中生失视后 下次要演初中生
紫色系女生头像
qq女生头像新版可爱漂亮的萌妹子