图知网
搜索
首页
热门推荐
图片分类
plc 一些主要的电路_文档下载
下载原图
相关图片
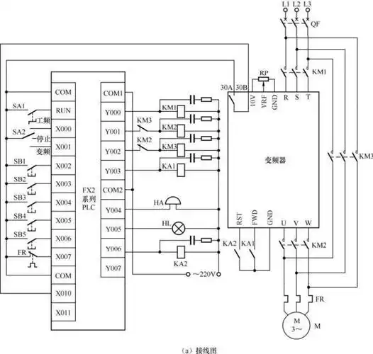
变频器配合plc控制电动机电路的识读方法
plc控制电动机的硬件线路与程序开发实例
基于plc的挖掘机电气控制系统设计_word文档在线阅读与下载_免费文档
西门子plc控制变频器实现3段速控制电路_输出
plc电气控制基本原理1--点动连续运动两地控制_点动与连续控制plc程序
plc控制电路图纸.doc
为你推荐
海绵宝宝果冻绘画和着色动画角色 - 着色字符0
范丞丞白衬衫造型盘点
深圳年轻室内设计师的形象照
布偶猫卡通图片
初学者入门吉他:卡马a1c
图6:这群农民工在狭窄的地方,挖排水沟,那弯腰劳作的累,只有亲自体验
王国之心3长发公主乐佩实在是太可爱了
《x战警:未来昔日x men : days of future past》幻影猫艾伦佩姬ellen