图知网
搜索
首页
热门推荐
图片分类
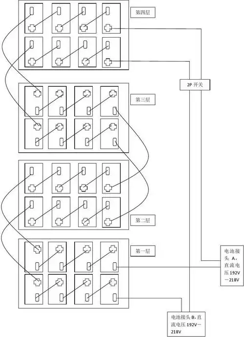
ups接线安装实例
下载原图
相关图片
山特ups电源c10ks电池组怎么安装
美国山特ups双电源输入电池中间有个n是接哪里
32块12v 100ah ups电池组串联怎样出三根线
ups安装接线图解
ups系统安装主要是蓄电池之间连接,蓄电池与ups主机之间的连接.
单组96v接线图(12v蓄电池)单组192v接线图(12v蓄电池)两组36v并联接线
为你推荐
抖音情侣头像图片2021最火爆抖音同款头像
青铜器铜马上成功生肖马工艺品摆件大学毕业庆典礼物乔迁周年庆
漫画男女情头一左一右好看高清图片_情侣动漫头像_头像屋
diy纯水机净水器安装避坑详细过程ro纯水机废水处置方案解决无桶机高
杨鸣
漂亮的彩虹png素材透明免抠图片-其他元素
兆信大功率直流稳压电源15v30v60v20a30a 可调恒压恒流源电镀电源 券
随后,又出演了古装奇幻剧《画皮之真爱无悔》和电视剧《孤岛飞鹰》