图知网
搜索
首页
热门推荐
图片分类
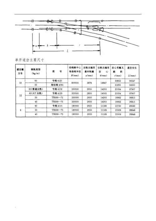
本次设计采用道岔型号及尺寸
下载原图
相关图片
9号道岔整体道床主要尺寸布置图
常用道岔主要参数手册-9
各种道岔尺寸表
92改进型p50,9号单开道岔cz2209a技术图纸动车论坛
常用道岔主要参数手册-8
glc系列道岔主要参数_2009050614095146
为你推荐
宠物狗的品种(178个宠物狗品种图片大全)
刘德华再现经典中分头素颜朝天不显老穿破洞牛仔插裤兜似鲜肉
三2班《小鹿斑比》读书小报优秀作品展
老木制棒槌一对
smc气缸在故障上处理都有哪些步骤
皮癣早期症状图片 (15)_有来医生
有手就行,1秒教会你画落日美景_丙烯画_装饰画_风景_夕阳_绘画_广州
铠甲勇士风鹰携新形态回归网友这颜值超过帝皇了