图知网
搜索
首页
热门推荐
图片分类
汽车发电机接线原理图
下载原图
相关图片
单相5000w汽油发电机的接线方法
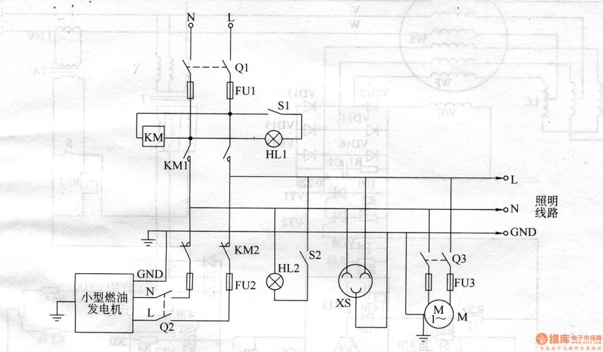
小型单相燃油发电机供电控制器
小型单相燃油发电机供电控制器
单相汽油发电机接线图的设计思路 第2张
单相同步发电机接线 下面是一个带调节器的单相汽油同步发电机的绕组
jf132型发电机电路图 -解决方案-华强电子网
为你推荐
蔡徐坤新专辑迷上线蔡徐坤新专辑迷多少钱
简笔画小女孩可爱头像手帐素材
郭麒麟宋轶婚纱海报曝光cp感十足看起来很像是一对
《家有儿女》之外,"妈妈洗脚"这则公益广告是尤浩然三岁半时拍的一个
欣赏奇怪的黑糖心玛瑙狗狗
凹凸世界 #秋姐 #凹凸世界秋姐 #凹凸 #凹凸粉看过来 #q版头像
展厅搭建的桁架分类
卧松罗汉