图知网
搜索
首页
热门推荐
图片分类
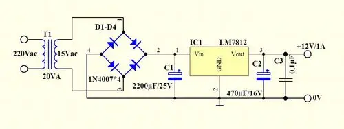
12v转220v逆变器电路图的原理介绍
下载原图
相关图片
怎样制作12v转220v逆变器
求220v转12v电路图即需要元件,多大,求详细地哈.
直流12v转5v电路图
把220v转12v的电源的电路图怎么画
12v转交流220v逆变器工作原理及diy制作
在不用变压器的情况下,如何将220v交流电变成12v直流电?
为你推荐
大多是以黄白色羊毛为底色,图案为黑色羊毛绘制,以纳西族古老的东巴
乔丹中国专卖夏天适合初中高中学生穿的少女凉鞋中女孩子夏季中女童
国王权杖龙爪珠子拐杖表演魔杖绅士手杖文明棍男士礼品道具未开刃
王者荣耀精美人物壁纸1416
火花 完美仙剑 winky诗 歌谱 简谱
素描四级:石膏几何体组合其它静物写生要求:构图完整得当;能大体表现
迷你世界闺蜜头像吖
实景拍摄效果 人靠衣马靠鞍,房子靠瓷砖#外墙瓷砖搭配效果图