图知网
搜索
首页
热门推荐
图片分类
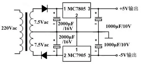
用lm7812和lm7912组成的双极性对称稳压电源电路
下载原图
相关图片
用tda2030组装高保真功率放大器-其他光电实用电路图-电子产品世界
l7912cv啊,无负载输出15.6v,汗一个
(2),7812和7912是常用件,但是关于引脚定义挺乱的,总之是
次级输出电压,及电容耐压值,并把7805和7905换成7812和7912)—— 你
mc7812(正压)mc7912mc(负压)构成的的12v稳压电源电路图
15v双抽头变压器,功率10-15w 三端稳压:lm7912,lm7812,配对各一只
为你推荐
定制上课中请勿打扰挂牌创意工作中请勿打扰门牌会议中木质提示牌
各类动态壁纸图集
再创世纪小三儿嚣张回归宣誓主权原配霸气回应气场更强
微信头像悲伤卡通版 卡通头像图片大全 -【爱个性】
华恋型瓦伦丁出处:《乖离性百万亚瑟王》风属性的群奶卡,早期版本属于
钢琴谱黑人抬棺简谱
骂骂咧咧的赛兔子
日刊兰兰鹿鹿52分49秒怎么来的抖音兰兰鹿鹿怎么不辟谣