图知网
搜索
首页
热门推荐
图片分类
迷你世界建筑教程 #迷你世界别墅 #迷你世界别墅教程 #迷你世界
下载原图
相关图片
原创生存超大别墅教程.#迷你世界 #卿崽原创 - 抖音
迷你房子制作方法 #迷你世界 #迷你圈 #迷你世界教程 - 抖音
迷你世界教程
92#迷你世界建筑 #迷你世界教程
迷你世界小屋建筑教程完整版完结
爱官方别限流 #迷你世界建筑教程闺闺专属按摩椅:@恸友友专属沙
为你推荐
胡天鸽写真-516x398.22k.-明星写真馆n63.com
沙雕熊猫人表情包
五行八卦
新品|泡泡玛特:skullpanda(sp)食梦动物系列_玩具_什么值得买
"最美豆腐西施"洪欣,御姐魅力十足,美艳动人,真的太迷人了
2-05 桥梁支座ppt
abdt厨房防油贴纸橱柜防潮自粘防水墙纸灶台防火锡箔纸铝箔纸加厚垫纸
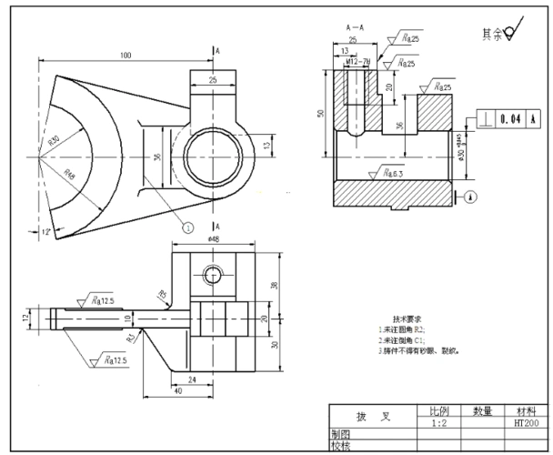
读图所示拨叉零件图,回答下列问题