图知网
搜索
首页
热门推荐
图片分类
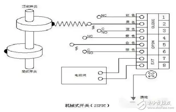
行程开关ppt
下载原图
相关图片
als系列阀门限位开关电气原理图
lx19k型行程开关是瞬动型,其工作原理如图所示.
接顺道闸光电限位开关 原理接线图动画
限位开关实物接线图限位开关接线方法
apl限位开关|开关反馈盒|apl限位开关接线图-上海川
电梯限位开关的作用(转载)
为你推荐
冰雪奇缘艾莎唯美动漫美女手机壁纸
斯努卡墙纸宿舍大学生励志文艺背景布房间墙壁装饰墙布简约ins文字
庞龙 全新精选(dvd)2碟装
初夏简约清新上新海报背景素材
关羽生平简介.pdf
脖子上长了很多小揪揪,其实都是蒂状疣 有很多人脖子上会长这种一颗颗
保定直隶总督署
夜晚天桥站在天桥晚间照片北京赵公口桥夜间拍照深夜坐在天桥图片寮步