图知网
搜索
首页
热门推荐
图片分类
水位控制器,接触器,水泵怎么接线才能保护水位控制器?
下载原图
相关图片
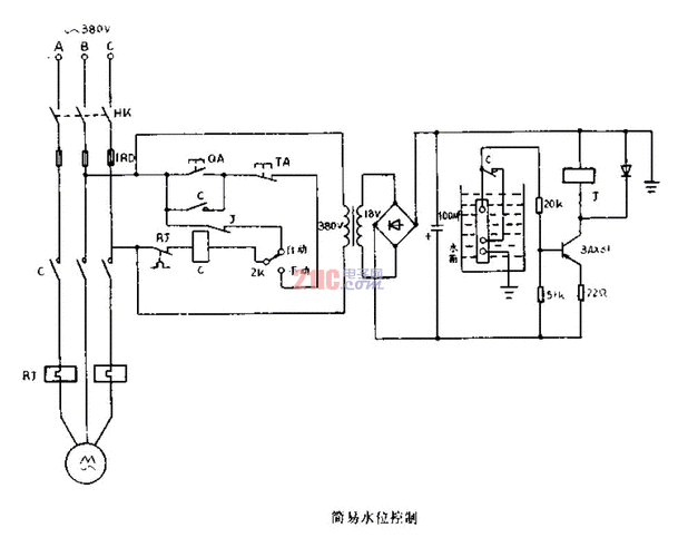
简易水位控制电路图
水泵液位控制电路原理图是什么?
该水位自动控制器电路由电源电路,水位检测控制指示电路,起动控制电路
gdb型双池液位控制器电路
浮球式液位控制电路
液位控制线路图
为你推荐
动漫女生高冷霸气头像 冷艳孤独女生头像
桑晨(中国内地女主持人)_尚可名片
中国最美女生第一名,大家说说自己心目中最美女星前十名
哆啦a梦摇一摇动效
浦东国际机场口岸迎来节前客流高峰.
厂家批发 男女情侣c字裤 新款多色可选性感蕾丝c字裤现货出售代发
2022新款 人皮面仿真易容人脸纸质纸质易容仿真人纸质头套搞笑人脸
像素画临摹78抓娃娃咯