图知网
搜索
首页
热门推荐
图片分类
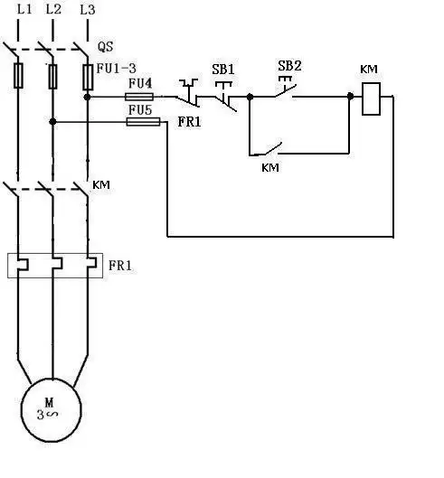
电动机直接启动控制线路
下载原图
相关图片
1.基本的直接启动控制线路
电机直接启动原理图(包括一次接线图 ,二次控制指示)谢谢!
电动机启动线路图
试设计鼠笼型电动机的直接启动控制线路.
图6-21 plc控制电动机直接启动的接线图
三相异步电机的直接启动ppt
为你推荐
王思聪五一日本旅游,穿4.5w鞋子吃路边摊,俩女伴身材火辣
荒野乱斗黑鸦致命的刺杀者
猫和老鼠 鼠_卡通动漫头像_我要个性网
古代皇帝自称"朕",那太上皇的自称是什么?乾隆帝给了示范
明治天皇(1852年11月3日-1912年7月30日),日本第122代天皇(1867年
小花仙第四季结局的时候,淑馨得到的话是"指引世人是光明信仰的力量"
乐游网精选cg壁纸大合集(32)这才能叫超高清壁纸!-乐游网
管蓟马科