图知网
搜索
首页
热门推荐
图片分类
设计了一个开关电源 采用tny276 输入220 输出 5v 1a 12v 0.
下载原图
相关图片
给我个傻瓜175电路图最最简单的电路图,符号少一点,我是菜鸟,还不会看
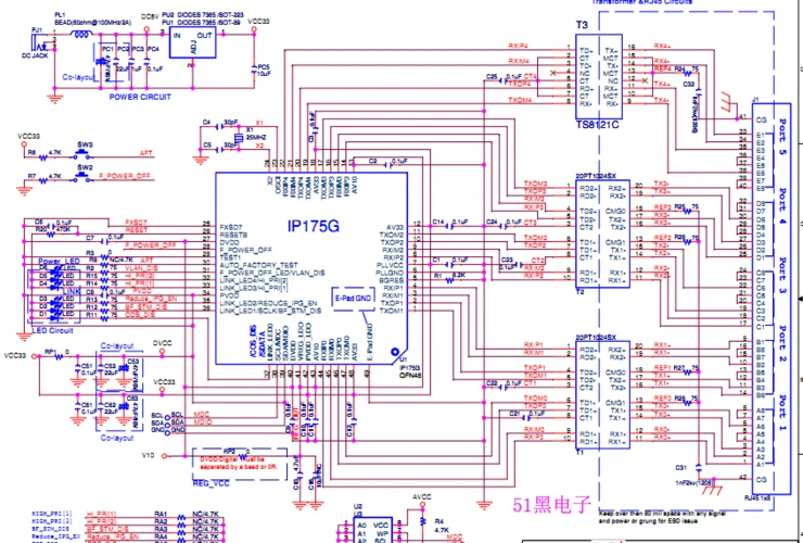
ip175g交换机芯片原理图
典型dvd开关电源电路
开关稳压电源中的30w开关电源电路图
正负5v,正负12v输出开关电源电路
由图可知,该电路主要是由300v滤波电容器,开关振荡集成电路(tny266pn)
为你推荐
美丽迷人欧洲大风车高清图片下载
400_225gif 动态图 动图
中国航天事业的发展历程
磨头大桥一个盖梁已拆模.
公鸡
斗罗大陆白沉香壁纸 你们要的白沉香来啦
她从19岁开始演戏,30岁凭一部网剧火起来,童颜还穿搭好看!
监控海康威视拾音器专用ds-2fp1021高保真拾音头高效降噪录音监控器材