图知网
搜索
首页
热门推荐
图片分类
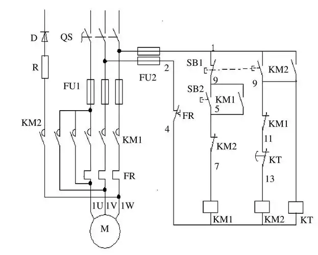
能耗制动电路原理
下载原图
相关图片
能耗制动线路
带能耗制动的电机控制电路图.
能耗制动控制线路
星三角能耗制动电路图
三相异步电动机能耗制动控制原理和方法图解非汽车
速度原则控制的单向能耗制动线路
为你推荐
x般若 - 堆糖,美图壁纸兴趣社区
锁骨碎发
【时代少年团贺峻霖】帅哥就是要湿发
90年代tvb陈慧珊7815职场女性魅力天花板78
西班牙国草顶级男模银发搭配忧郁气质出道两年横扫所有秀场
如果这都不算爱
66岁坐上轮椅的张铁林,他怎么了?
线上课堂民乐分中心竹笛知多少