图知网
搜索
首页
热门推荐
图片分类
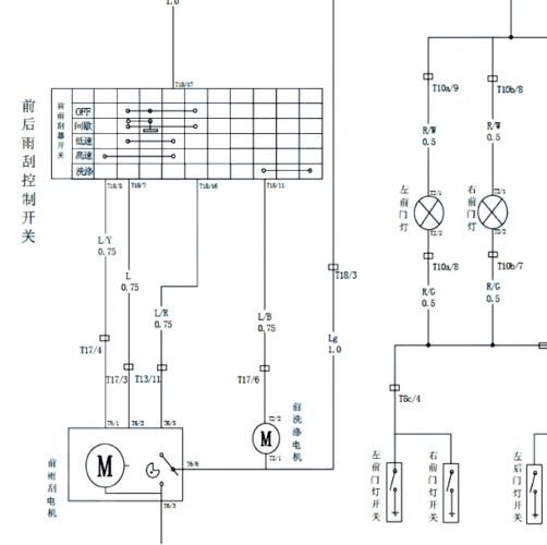
汽车雨刷器电路及雨刷机械摆动原理和维修
下载原图
相关图片
一种汽车雨刮控制电路
2014年黄海大柴神雨刮电路图
前雨刮电路图
这个本田雨刮电路图怎么看?能画个简单的给我吗?
汽车雨刮器故障解决方法「汽车雨刮器故障解决方法图片」
一种雨刮控制器,包括电源,其特征在于:所述电源上连接有稳压电路;所述
为你推荐
大丽花种球
青年女人和朋友一起喝酒
肖战##肖战黑西装十五宫格
产 品 价 目 表2012
张起灵 - 堆糖,美图壁纸兴趣社区
2017级2班母亲节手抄报展示
女性下腹疼痛部位
健怡可口可乐(无糖 瓶装 1.25l)