图知网
搜索
首页
热门推荐
图片分类
138路公交车"太破" 引市民担忧
下载原图
相关图片
拍电影的道具,破旧的公共汽车
报废公交 br />
严重超载而破旧的公交车
公交事故窗户破了的公交车照片
莆田212路公交被评为最破公交车:车身锈迹斑斑(图)
气球破了窗户破了的公交车照片
为你推荐
bvlgari 宝格丽 玛瑙 纯银 项链 356910 黑色 : 亚马逊中国: 珠宝首饰
鱼骨汤包,酸菜调料包,蔬菜包,黑鱼片包和干辣椒包9478教程来喽16
远山和树意境禅意24节气古风水墨画中式中国风古风插画
油画《绿狗》.
上帝保佑吉他谱窦唯a调吉他弹唱谱
含扣30长鸡蛋网袋,15枚装鸡蛋网兜,礼品包装网袋.1万套 630元
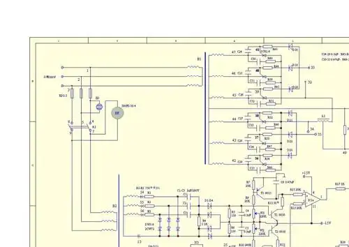
电焊机电路图
好拟人句大全