图知网
搜索
首页
热门推荐
图片分类
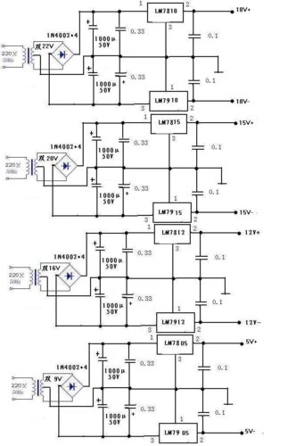
双路可调电源电路
下载原图
相关图片
双电源电路
双路直流稳压电源电路原理图
双路直流稳压电源电路原理图设计
双电源自动切换原理图
简易的双电源电路设计
正负对称双电源电路图
为你推荐
女人穿裙子的简笔画
男神超帅的qq头像 男生头像图片大全 -【爱个性】
一个留着胡子的年轻男性手里拿着一个写着生日快乐的蛋糕祝贺结婚纪念
5斤 体重变化:-9.
和平精英机动兵教学攻略 和平精英中机动兵种刷新位置
儿童皇冠超仙蝴蝶花环头饰公主珍珠发箍花童头箍女童森系头花发饰
手工作品"五色笔筒" - 抖音
精美粉色汽车维修logo设计矢量素材