图知网
搜索
首页
热门推荐
图片分类
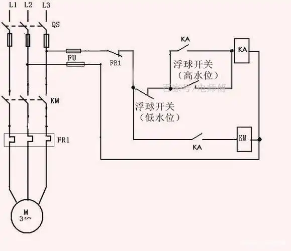
cn2145401y_水位自动控制器失效
下载原图
相关图片
一种自动排水控制系统技术方案
怎么实现自动供水和自动排水?液位继电器的经典应用
水泵自动控制电路图
水池水泵自动抽水控制电路,简单实用,电工电子实践,不要错过!
cn205959088u_一种水罐自动排水控制系统有效
单泵水位自动控制电路图讲解供水电路图
为你推荐
手机壁纸分享-葡萄牙国家队c罗. 喜欢拿走[红心]|葡萄牙|c罗|懂球帝
求几个中指鄙视头像
祭祀祭祖上坟用品金山银山聚宝盆五七清明节烧黄纸钱花圈锡箔元宝
清新海岸风光自然风景高清电脑桌面壁纸图片大全
思美人涂色
张天爱哥哥也太暖了吧,又是做饭又是擦鞋的 #张天爱 #兄妹 #综艺
无所畏惧||字素||橡皮章素材
中式衣裁剪图集合