图知网
搜索
首页
热门推荐
图片分类
樱の怨灵新主题吉尼斯纪录体验乌鲁木齐最大最恐怖鬼屋没有之一过年盘
下载原图
相关图片
特别提示:16周岁以下最好不要进入鬼屋.
世界上最恐怖的幼儿园日本幼儿园鬼屋获吉尼斯认证
世界上最恐怖的幼儿园把孩子变成鬼怪最年轻的鬼屋
成都装饰揭秘5大恐怖鬼屋 尿都给你吓粗来
胆小慎点★霸都最恐怖鬼屋惊悚来袭,吓破你胆!【内有门票大派送】
号称全球最恐怖的十大鬼屋胆小的莫进
为你推荐
科学家从老鼠身上看到了答案|灭绝|人类|地球_新浪新闻
凯洛登(kailuodeng) 意式岩板书桌轻奢现代书房书桌小户型极简一字板
老款李宁鞋
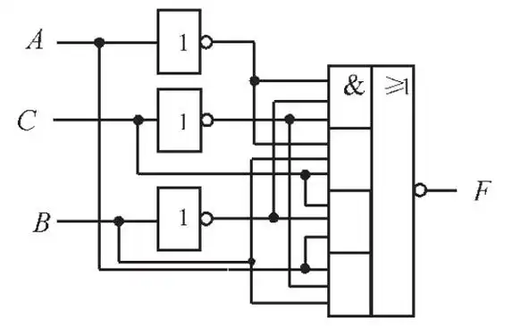
图7 采用反相器及与或非门实现
【附海量赠品】正版 撒野123完结篇 巫哲撒野小说全套正版未删减2020
几位欧楷名家临写《九成宫》,笔笔精湛,你最欣赏谁?
春光围棋图片[源文件,psd]
苹果13mini 128 白色 精保233 9110092153xxx#手机回收平台