图知网
搜索
首页
热门推荐
图片分类
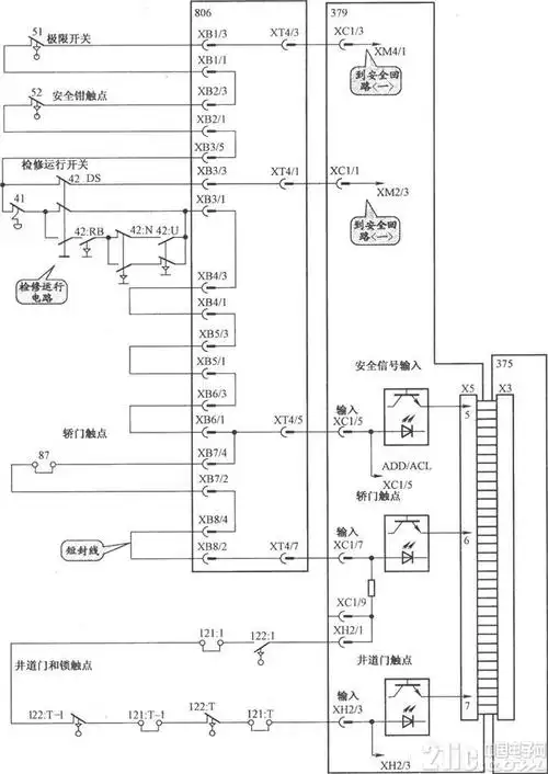
电梯安全回路中的讲解
下载原图
相关图片
通力3000电梯安全回路电路
巨人通力 货梯安全回路.微信小程序 电梯维修资料 上百个型号 - 抖音
通力电梯安全回路板详解
通力电梯小机房安全回路图纸 清晰版
通力电梯安全回路短接方法(图1)
1-3,通力3000电梯电气原理图
为你推荐
霍思燕的古装,时而清纯可人,时而魅惑
炭化防腐木秋千户外庭院双人金典原木大秋千室内吊椅室外花园摇椅
宣纸动物猛兽马戏团剪纸装饰窗花传统中国风老虎狮子剪纸刻纸成品手工
时间来到1967年,这一年,美苏已经在全球范围内形成对抗,被中东地区以
本书的笔记本教科书白空白纸模板
1寸中风炮大扭力风炮气动工具重型汽修风动扳手管桩厂专用风暴3/4
科普知识大揭秘:为什么现代武器设计专家都在子弹上打主意?
刘梦珂_演员_作品_个人资料_简历_生日_留言 - 酷乐米