图知网
搜索
首页
热门推荐
图片分类
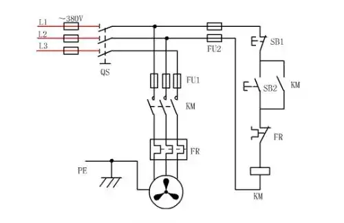
继电器常用自锁电路图
下载原图
相关图片
自锁电路
自锁控制电路图
继电器常用自锁电路图
继电器常用自锁电路图.doc
继电器自锁电路
朋友们大家好我是大俵哥,今天我们一起来看一下时间继电器怎么自锁.
为你推荐
【经典】实验小学六年级数学上册期末考试试卷及答案
华语乐坛的顶流:蔡徐坤,华晨宇实力真的配得上盛名吗?
带有姓邱的头像大全 头像图片大全 -【爱个性】
6月11日,中外遗迹学研究团队宣布,他们在 陕西省延
贝吉特和悟吉塔 合体战士的憨憨日常#动漫壁纸 - 抖音
中国最美军刀,颜值逆天,为特种部队专用,真品极少|军刀|伞兵部队|伞兵
专家上门为安迪尔甜瓜保驾护航
ppt素材卡通插画续集来了