图知网
搜索
首页
热门推荐
图片分类
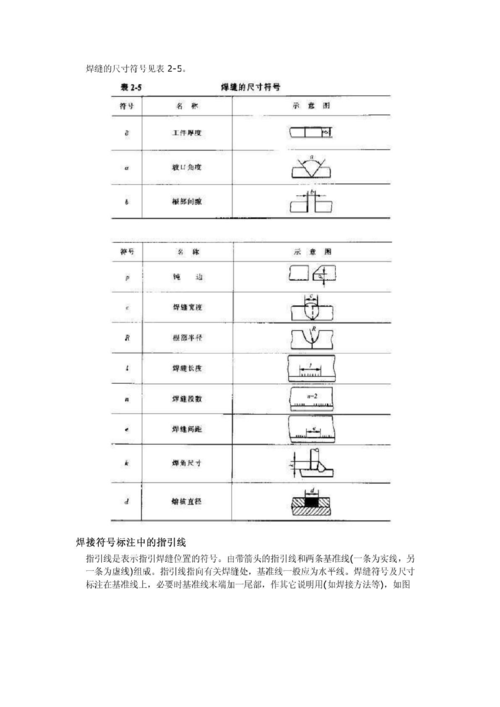
钢结构施工图的基本知识
下载原图
相关图片
钢结构的符号表示法 - 压型钢板规格型号详细标注方法 - 实验室设备网
钢结构设计图中的焊接符号标注大全(图).doc
钢结构设计图中的焊接符号标注大全,别问小编为什么这么无私,小编是
钢结构设计焊接符号大全
钢结构图纸补充符号.png
钢结构施工图——识图知识
为你推荐
王者荣耀鲁班七号手绘~~ - 简书
需要带尺寸的户型图哦! 户型设 - 抖音
阴茎皮里面皮下非龟头上面有几个颗粒样的东西把阴茎皮扯起来摸有点像
少年强,则中国强, ——惠州市水口大湖学校国旗护卫队
两个女孩手牵手
奥迪r8gt3赛车怎么操作程丛夫给你答案
欧式别墅庭院景观绿化设计效果图
书籍装帧 敦煌旋风装