图知网
搜索
首页
热门推荐
图片分类
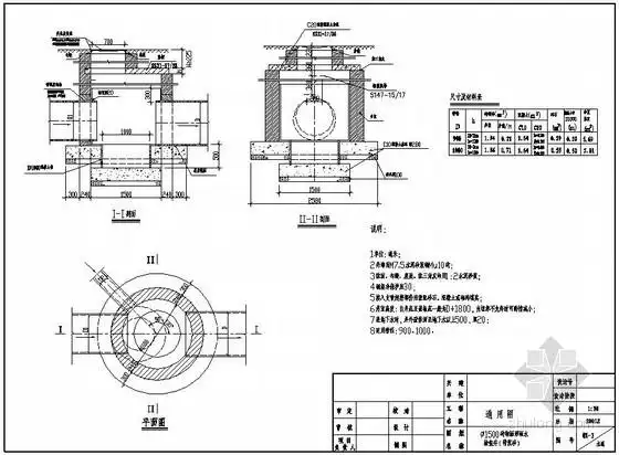
检查井标准图集04s531-泾县预制沉泥井
下载原图
相关图片
请问下老师市政砖砌沉泥井河南16套什么定额
重庆排水检查井的施工过程及选用尺寸?
分享检查井沉井图集资料下载
各种沉砂井大样图
分享提篮沉砂井大样图资料下载
各种沉砂井大样图
为你推荐
70b70c70d75a75b75c75d出口日本原单蕾丝聚拢白色粉色文胸内衣
坐在床上痛苦的女人
电视剧潜伏经典台词截图名场面剧照图片
「阿黒龙珠手绘」魔人贝吉塔线稿图集过程
阳光工程温室大棚几字钢骨架技术指导
超铖工地钢筋防护棚 施工安全通道木工防砸棚 蓝色斜顶含彩钢板
此地的俄罗斯族的比例,几乎要超越了哈萨克族人口——哈萨克人在哈
比较无厘头的头像_微信头像图片大全