图知网
搜索
首页
热门推荐
图片分类
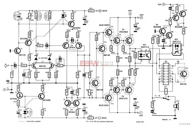
hifidiy论坛-1969功放板一个声道没有声音,中点电压无法调节 - powere
下载原图
相关图片
1969功放详解
超大功率功放机电路图 - 音响/功放/hifi diy
图解电路图ocl功放电路 - 详解ocl功放差分放大电路 - 电源设计应用 -
功放电路图大全(一)...
超大功率功放机电路图 - 音响/功放/hifi diy
hifidiy论坛-手里有4只mj4502,请问大狭们,做小甲可以么 - powered by
为你推荐
男生留4cm短碎发可帅
网红厚底长筒靴女2024春季新款增高不过膝骑士靴瘦瘦靴高筒长靴子
为你我加油——2019年湖南一师一附小田径运动会宣传海报展
四折剪纸01
照片怎么用表情包遮脸
斗破苍穹云韵大长腿壁纸.这样的云韵 ,让人心动 #斗破苍 - 抖音
南京金色家园幼儿园>>>
惊艳了时光的9位女港星,张柏芝第5,林青霞第2,谁是你心中第一