图知网
搜索
首页
热门推荐
图片分类
下肢神经分布示意图 来源丨搜狐网切断了支配腓肠肌的神经分支之后
下载原图
相关图片
腓浅神经:在腓骨长,短肌与趾伸肌之间下行,分出肌支支配腓骨长,短肌
下肢浅表神经支配下肢神经皮支分布
下肢神经
下肢神经
干货分享下肢肌肉的神经支配看完你就会
2,神经受伤常见原因:下肢交叉造成压迫:因腓骨头/胫骨骨折受伤; 3
为你推荐
世勋女友视角
水果简笔画可涂色可当拓印画
动耳朵的兔子表情包|动耳朵的兔子表情包下载_红软基地
久力能-特价促销-优惠券领取-价格|多少钱|什么牌子好-35优惠券网站
刺泡儿和蛇果
惠州少儿服装设计安柏公主公主裙
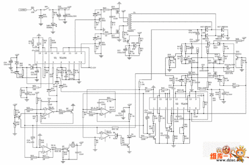
一款具备应急功能的逆变器电路图
材质:头层皮 耐磨橡胶底 尺码:36-39 nike air max90 黑桃红 女